
電動對夾式球閥
產品型號:Q971F
發布時間:2012-3-13 10:31:41
Q971F電動對夾式球閥是引進意大利技術進行國產化設計而發展出的新一代超短法蘭距球閥。
下一個產品:沒有了
上一個產品:全鍛鋼高壓硬密封球閥
相關產品:
保溫球閥
氣動三通球閥
蝸輪固定球閥
電動對夾式球閥
全鍛鋼高壓硬密封球閥
精小型氣動O型切斷球閥
電子式電動O型球閥
氣動O型切斷球閥
電動O型調節球閥
氣動保溫球閥
襯氟球閥
外螺紋球閥
不銹鋼法蘭球閥
高壓焊接球閥
廣式內螺紋球閥
三通四密封球閥
三片式承插焊球閥
法蘭三通球閥
廣式法蘭球閥
法蘭放料球閥
鍛鋼硬密封球閥
三片式對焊球閥
三片式法蘭球閥
三片式球閥
二片式球閥
一片式球閥
對夾式薄型球閥
電動三通球閥
保溫縮徑球閥
超薄型對夾保溫球閥
對夾式保溫球閥
氣動固定球閥
蝸輪浮動法蘭球閥
螺紋不銹鋼三通球閥
不銹鋼整體高溫球閥
氣動浮動不銹鋼球閥
電動硬密封V型調節球閥
電動固定球閥
鍛鋼固定球閥
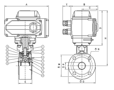
Q971F電動對夾式球閥概述:
Q971F電動球閥是球芯通道形狀有矩形、V形及O形。該系列產品具有結構緊湊、體積小、重量輕、安裝方便等特點,可廣泛應用在石油、化工、冶金、電站、輕工等領域,對油、水、氣及紙漿或纖維狀流體進行自動調節或切斷控制。
Q971F電動對夾式球閥技術參數:
閥類 | 傳動方式 | 連結形式 | 結構形式 | 密封面 | 公稱壓力(MPa) | 閥體材料 |
球閥 |
9-電動 |
對夾式 |
浮動球直通 |
F-氟塑料 H-合金鋼 PPL |
1.6 2.5 4.0 6.4 |
按表內閥體 材料代號 |
公稱通徑DN(mm) | 15-150 | |||||
材料代號 | C | P | R | |||
主 要 零 件 |
閥體 | WCB | ZG1Cr18Ni9Ti | ZG0Cr18Ni12Mo2Ti | ||
球板 | 2Cr13 | ZG1Cr18Ni9Ti | ZG0Cr18Ni12Mo2Ti | |||
閥桿 | 2Cr13 | 1Cr18Ni9Ti | 0Cr18Ni12Mo2Ti | |||
密封圈 | 增強聚四氟乙烯 對位聚苯 | |||||
填料 | 聚四氟乙烯 柔性石墨 | |||||
適 用 工 況 |
適用介質 |
水、蒸汽、油品
|
硝酸類 | 醋酸類 | ||
適用溫度 | -28℃~250℃ |
電動對夾超薄型球閥安裝尺寸表:
公稱通徑DN(mm) | 尺 寸(mm) | 執行器型號 | ||||||
L | D | D1 | D2 | B | F | Z-φd | ||
15 | 35 | 95 | 65 | 45 | 14 | 2 | 4-M12 |
可選配QTD/GTE、 HY系列執行器 (以上選配僅供參選 具體選用根據實際要求) |
20 | 38 | 105 | 75 | 55 | 14 | 4-M12 | ||
25 | 42 | 115 | 85 | 65 | 14 | 4-M12 | ||
32 | 50 | 135 | 100 | 78 | 16 | 4-M16 | ||
40 | 60 | 145 | 110 | 85 | 16 | 4-M16 | ||
50 | 70 | 160 | 125 | 100 | 16 | 3 | 4-M16 | |
65 | 95 | 180 | 145 | 120 | 18 | 4/8-M16 | ||
80 | 118 | 190 | 160 | 135 | 20 | 8-M16 | ||
100 | 140 | 215 | 180 | 155 | 20 | 8-M16 | ||
125 | 175 | 245 | 210 | 185 | 22 | 8-M16 | ||
150 | 210 | 280 | 240 | 210 | 24 | 8-M20 |