
相關產品:
襯膠止回閥產品詳情:
止回閥是一種依靠介質本身的流動而自動啟閉閥瓣用來阻止介質逆向流動的自動閥門。
本廠襯里止回閥基本類型有四種:HG41型法蘭連接直通升降式止回閥和HG42型升降立式止回閥、HG44立式止回閥、HG76旋啟式止回閥。
襯膠止回閥設計規范:
遵循GB/T 12235,GB/T 12236,API 6D標準
襯膠止回閥主要零部件材料表:
序號 | 零件名稱 | 灰鑄鐵 | 鑄鋼 | 不銹耐酸鑄鋼 | 超低碳不銹耐酸鑄鋼 | ||
Z | C | P | R | PL | RL | ||
1 | 閥體/閥蓋 | HT250 | WCB | CF8 | CF8M | CF3 | CF3M |
2 | 閥瓣/閥桿 | 35 | 1Cr13 | 1Cr18Ni9 | 1Cr18Ni12Mo2Ti | 00Cr18Ni10 | 00Cr17Ni14Mo2 |
3 | 襯里/閥座 | PCTEF(F3),FEP(F46),PFA(可溶F4),PP,PO | |||||
4 | 緊固螺栓 | WCB | 1Cr17Ni2 | 1Cr18Ni9Ti | |||
5 | 螺母 | PTFE(F4) | CF8 | CF8 |
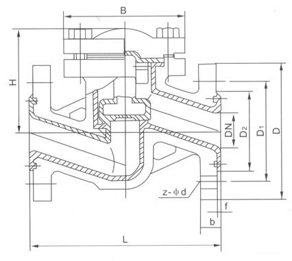
襯膠止回閥結構示意圖:
襯膠止回閥主要外形和連接尺寸:
公稱通經 | L | D | D1 | D2 | f | b | Z-φd | D | D1 | D2 | f | b | Z-φd | |
DN(mm) | NPS(inch) | PN1.0MPa | PN1.6MPa | |||||||||||
15 | 1/2 | 130 | 95 | 65 | 45 | 2 | 14 | 4-φ14 | 130 | 95 | 65 | 2 | 14 | 4-φ14 |
20 | 3/4 | 150 | 105 | 75 | 55 | 2 | 16 | 4-φ14 | 150 | 105 | 75 | 2 | 16 | 4-φ14 |
25 | 1 | 160 | 115 | 85 | 65 | 2 | 16 | 4-φ14 | 160 | 115 | 85 | 2 | 16 | 4-φ14 |
32 | 5/4 | 180 | 135 | 100 | 78 | 2 | 18 | 4-φ18 | 180 | 135 | 100 | 2 | 18 | 4-φ18 |
40 | 3/2 | 200 | 145 | 110 | 85 | 3 | 18 | 4-φ18 | 200 | 145 | 110 | 3 | 18 | 4-φ18 |
50 | 2 | 230 | 160 | 125 | 100 | 3 | 20 | 4-φ18 | 230 | 160 | 125 | 3 | 20 | 4-φ18 |
65 | 5/2 | 290 | 180 | 145 | 120 | 3 | 20 | 4-φ18 | 290 | 180 | 145 | 3 | 20 | 4-φ18 |
80 | 3 | 310 | 195 | 160 | 135 | 3 | 22 | 4-φ18 | 310 | 195 | 160 | 3 | 22 | 4-φ18 |
100 | 4 | 350 | 215 | 180 | 155 | 3 | 22 | 8-φ18 | 350 | 215 | 180 | 3 | 24 | 8-φ18 |
125 | 5 | 400 | 245 | 210 | 185 | 3 | 24 | 8-φ18 | 400 | 245 | 210 | 3 | 26 | 8-φ18 |
150 | 6 | 480 | 280 | 240 | 210 | 3 | 24 | 8-φ23 | 480 | 280 | 240 | 3 | 28 | 8-φ23 |
200 | 8 | 600 | 335 | 295 | 265 | 3 | 26 | 8-φ23 | 495 | 335 | 295 | 3 | 30 | 12-φ23 |
250 | 10 | 622 | 390 | 350 | 320 | 3 | 28 | 12-φ23 | 622 | 405 | 355 | 3 | 32 | 12-φ25 |
300 | 12 | 698 | 440 | 400 | 368 | 4 | 28 | 12-φ23 | 698 | 460 | 410 | 4 | 34 | 12-φ25 |
350 | 14 | 787 | 500 | 460 | 428 | 4 | 30 | 16-φ23 | 787 | 520 | 470 | 4 | 38 | 16-φ25 |
400 | 16 | 914 | 565 | 515 | 482 | 4 | 32 | 16-φ25 | 914 | 580 | 525 | 4 | 40 | 16-φ30 |
450 | 18 | 978 | 615 | 565 | 532 | 4 | 32 | 20-φ25 | ||||||
500 | 20 | 978 | 670 | 620 | 585 | 4 | 34 | 20-φ25 |
|