
相關產品:
H41W不銹鋼升降式止回閥概述:
升降式止回閥適用于中、小口徑管路的各種壓力、溫度和介質下控制接通或截斷管路介質的啟閉裝置;依靠閥瓣自重和流體壓差實現自動阻止流體倒流。
H41W不銹鋼升降式止回閥性能規范:
閥體材料 | 公稱壓力 (MPa) | 工作溫度 (℃) | 適用介質 | |
碳 鋼 |
1.6-6.4 |
≤425 |
水、油品、蒸汽 | |
10.0、16.0 | ≤450 | / | ||
不銹鋼 |
P |
1.6-16.0 | ≤200 |
硝酸類 |
R | / | / | 醋酸類 | |
鉻鎳鈦 |
PI |
1.6-6.4 |
≤550 |
石油、石油產品 |
鉻鉬鋼 | 1.6-16.0 | ≤550 | 油 |
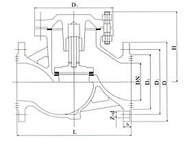
H41W不銹鋼升降式止回閥結構尺寸圖:
H41W不銹鋼升降式止回閥主要外形尺寸:
公稱壓力PN | 公稱通徑DN | 主要連接尺寸 | 外形尺寸 | ||||||||
L | D | D 1 | D 2 | D 6 | b | f | f 1 | Z-φd | H | ||
1.6MPa | 40 | 200 | 145 | 110 | 85 | - | 16 | 2 | - | 4-18 | 95 |
50 | 230 | 160 | 125 | 100 | - | 16 | 2 | - | 4-18 | 105 | |
65 | 290 | 180 | 140 | 120 | - | 18 | 2 | - | 4-18 | 120 | |
80 | 310 | 195 | 165 | 135 | - | 20 | 3 | - | 8-18 | 130 | |
100 | 350 | 215 | 180 | 155 | - | 20 | 3 | - | 8-18 | 140 | |
125 | 400 | 245 | 210 | 185 | - | 22 | 3 | - | 8-12 | 155 | |
150 | 480 | 280 | 240 | 210 | - | 24 | 3 | - | 8-23 | 180 | |
200 | 600 | 335 | 295 | 265 | - | 26 | 3 | - | 12-23 | 215 |