
電液動刀型閘閥
產品型號:PZ273H/Y
發布時間:2008-5-20
電液動刀型閘閥通過電液聯動裝置往復推位來控制閥門的開啟和關閉,如配置傳感器或數字顯示裝置,可進行遠距離,高空的危險地區集中或程序控制
下一個產品:螺旋閘門
上一個產品:鏈輪單夾式刀型閘閥(梅花型)
PZ273電液動刀型閘閥概述:
PZ273電液動刀型閘閥又稱電液動刀閥、電液動插板閥、電液動薄型閘閥、電液動閘板閥,電控液動刀型閘閥主要由閥體、閥板、絲桿、驅動螺母、支架、壓條、電液動執行器、填料組成,PZ273型電液動刀型閘閥具有體積小,重量輕,PZ273型電液動刀型閘閥屬對夾式、平行單閘板結構、單向流通性質,流通阻力小、可切斷各種漿類、灰渣、污水、水渣混合物、纖維等介質,泛應用于電力,市政、礦山、冶金、化工、煤炭、水利等行業,是一種應用性強的新型更新替代閥門產品。
PZ273電液動刀型閘閥型號代表:
閥門類型代號:"PZ"表示刀型閘閥;
驅動形式代號:"2"表示電液動;
連接形式代號:"7"表示對夾式;
結構形式代號:"3"表示單閘板;
密封面材料代號:"Y"表示堆焊合金;
PZ273電液動刀型閘閥主要用途:
電液動刀型閘閥通過電液聯動裝置往復推位來控制閥門的開啟和關閉,如配置傳感器或數字顯示裝置,可進行遠距離,高空的危險地區集中或程序控制,廣泛適用于食品、造紙、醫藥、石油、化工等油品、水、蒸汽管路上,接通或截斷管路中的纖維、粉塵、化學品處理污水、沉淀池、瀝青、料倉出口、水果汁、谷物等介質。
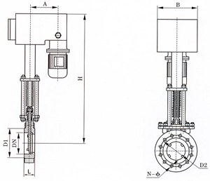
PZ273電液動刀型閘閥結構示意圖:
PZ273電液動刀型閘閥主要外形及連接尺寸(mm):
MPa | DN | L | D1 | D2 | H | A | B | N-M |
0.6 | 50 | 43 | 90 | 110 | 650 | 160 | 140 | 4-M12 |
65 | 46 | 110 | 130 | 670 | 160 | 140 | 4-M12 | |
80 | 46 | 125 | 150 | 685 | 160 | 140 | 4-M16 | |
100 | 52 | 145 | 170 | 755 | 200 | 160 | 4-M16 | |
125 | 56 | 175 | 200 | 790 | 200 | 160 | 8-M16 | |
150 | 56 | 200 | 225 | 865 | 200 | 160 | 8-M16 | |
200 | 60 | 255 | 280 | 940 | 220 | 180 | 8-M16 | |
250 | 68 | 310 | 335 | 1030 | 220 | 180 | 12-M16 | |
300 | 78 | 362 | 395 | 1180 | 220 | 180 | 12-M20 | |
350 | 78 | 412 | 445 | 1285 | 220 | 180 | 12-M20 | |
400 | 102 | 462 | 495 | 1390 | 240 | 220 | 16-M20 | |
450 | 114 | 518 | 550 | 1500 | 240 | 220 | 16-M20 | |
500 | 127 | 568 | 600 | 1600 | 240 | 220 | 16-M20 | |
1.0 | 50 | 43 | 100 | 125 | 650 | 160 | 140 | 4-M16 |
65 | 46 | 120 | 145 | 670 | 160 | 140 | 4-M16 | |
80 | 46 | 135 | 160 | 685 | 160 | 140 | 4-M16 | |
100 | 52 | 155 | 180 | 755 | 200 | 160 | 8-M16 | |
125 | 56 | 185 | 210 | 790 | 200 | 160 | 8-M16 | |
150 | 56 | 210 | 240 | 865 | 200 | 160 | 8-M20 | |
200 | 60 | 265 | 295 | 940 | 220 | 180 | 8-M20 | |
250 | 68 | 320 | 350 | 1030 | 220 | 180 | 12-M20 | |
300 | 78 | 368 | 400 | 1180 | 220 | 180 | 12-M20 | |
350 | 78 | 428 | 460 | 1285 | 220 | 180 | 16-M20 | |
400 | 102 | 482 | 515 | 1390 | 240 | 220 | 16-M20 | |
450 | 114 | 532 | 565 | 1500 | 240 | 220 | 20-M22 | |
500 | 127 | 585 | 620 | 1600 | 240 | 220 | 20-M22 |