
傘齒輪對夾式刀型閘閥概述:
PZ573傘齒輪對夾式刀形閘閥,適用于帶有懸浮顆粒、纖維材料的紙漿、污水、煤漿、灰渣水泥混合物等介質的管道,靠可以切割纖維材料的刀刃形閘板來切斷這些介質。閥體實際上不存在腔室,閘板在側面導向槽內升降,并由底部的凸耳緊壓在閥座上,如需達到較高的介質密封性時,可選用O形密封閥座實現雙向密封。按驅動方式分為手動刀型閘閥、氣動刀型閘閥、電動刀型閘閥。
PZ573傘齒輪對夾式刀形閘閥操作輕便靈活、體積小、通道流暢、流阻小、重量輕、易安裝、易拆卸,公稱尺寸 DN50~DN800,可在工作壓力 0.6MPa~1.6MPa,使用溫度 ≤100℃ 情況下正常工作。刀型閘閥其閘板具有剪切功能,可刮除密封面上的粘著物,自動清除雜物。不銹鋼閘板可防止腐蝕引起的密封泄漏。
傘齒輪對夾式刀型閘閥產品特點:
超短結構長度,節省材料,可使管路系統整體重量大大減輕。
占用有效空間小,能有效支持管道的強度,可減少管道振動的可能性。
閘板選用奧氏體不銹鋼,耐腐性能大大提高,可有效的防止由于閘板腐蝕引起的密封瀉漏。
上密封填料采用柔性 PTFE ,密封可靠、操作輕便靈活。 閘板具有閘刀的功能,能有效的閘斷介質中各類雜物。
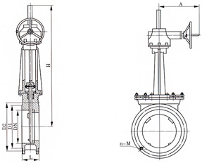
傘齒輪對夾式刀型閘閥結構示意圖:
傘齒輪對夾式刀型閘閥外形及連接尺寸(mm):
MPa | DN | L | D1 | D2 | H | n-M | MPa | DN | L | D1 | D2 | H | n-M |
0.6 | 50 | 43 | 90 | 110 | 475 | 4-M12 | 1.0 | 50 | 43 | 100 | 125 | 475 | 4-M16 |
65 | 46 | 110 | 130 | 500 | 4-M12 | 65 | 46 | 120 | 145 | 500 | 4-M16 | ||
80 | 46 | 125 | 150 | 535 | 4-M16 | 80 | 46 | 135 | 160 | 535 | 4-M16 | ||
100 | 52 | 145 | 170 | 605 | 4-M16 | 100 | 52 | 155 | 180 | 605 | 8-M16 | ||
125 | 56 | 175 | 200 | 665 | 8-M16 | 125 | 56 | 185 | 210 | 665 | 8-M16 | ||
150 | 56 | 200 | 225 | 765 | 8-M16 | 150 | 56 | 210 | 240 | 765 | 8-M20 | ||
200 | 60 | 255 | 280 | 880 | 8-M16 | 200 | 60 | 265 | 295 | 880 | 8-M20 | ||
250 | 68 | 310 | 335 | 1020 | 12-M16 | 250 | 68 | 320 | 350 | 1020 | 12-M20 | ||
300 | 78 | 362 | 395 | 1220 | 12-M20 | 300 | 78 | 368 | 400 | 1220 | 12-M20 | ||
350 | 78 | 412 | 445 | 1375 | 12-M20 | 350 | 78 | 428 | 460 | 1375 | 16-M20 | ||
400 | 102 | 462 | 495 | 1560 | 16-M20 | 400 | 102 | 482 | 515 | 1560 | 16-M22 | ||
450 | 114 | 518 | 550 | 1720 | 16-M20 | 450 | 114 | 532 | 565 | 1720 | 20-M22 | ||
500 | 127 | 568 | 600 | 1870 | 16-M20 | 500 | 127 | 585 | 620 | 1870 | 20-M22 | ||
600 | 154 | 670 | 705 | 2220 | 20-M22 | 600 | 154 | 685 | 725 | 2220 | 20-M27 | ||
700 | 165 | 775 | 810 | 2570 | 24-M22 | 700 | 165 | 800 | 840 | 2570 | 24-M27 | ||
800 | 190 | 880 | 920 | 3030 | 24-M27 | 800 | 190 | 898 | 950 | 3030 | 24-M30 | ||
900 | 203 | 980 | 1020 | 3430 | 24-M27 | 900 | 203 | 1005 | 1050 | 3430 | 28-M30 | ||
1000 | 216 | 1080 | 1120 | 3470 | 28-M27 | 1000 | 216 | 1110 | 1160 | 3470 | 28-M30 | ||
1200 | 254 | 1295 | 1340 | 4230 | 32-M30 | 1200 | 254 | 1325 | 1380 | 4230 | 32-M36 |