
相關產品:
氣動對夾式蝶閥結構特點和用途
氣動對夾式硬密封蝶閥采用氣動操作,依據用戶要求可選配不同廠家、各種功能的氣動裝置。
氣動對夾式硬密封蝶閥應用先進的三偏心結構設計(徑向偏心、軸向偏心和角度偏心),采用先進的工藝方法和專用的工藝裝備加工制造,確保了零件精度和裝配精度。保證了
密封付的全部錐面吻合,完全消除了密封面間的干涉與磨損。因此,開關阻力小、密封可靠、密封面磨損小,整機工作壽命長。
氣動對夾式硬密封蝶閥廣泛應用于冶金、石化、化工、煉油、給排水工程等行業中。
氣動對夾式蝶閥產品型號/技術參數
閥類 | 傳動方式 | 連結形式 | 結構形式 | 密封面 | 公稱壓力(MPa) | 閥體材料 |
蝶閥 |
6-氣動 6s-氣動帶手動 |
4-法蘭式 7-對夾式 |
斜板式 |
13Cr/13 Cr-H D802/D8 12-Y |
0.6 2.5 1.0 4.0 1.6 6.4 |
按表內閥體 材料代號 |
公稱通徑DN(mm) | 50-1200 | |||||
材料\材料代號 | C | P | R | |||
主 要 零 件 |
閥體 | WCB | ZG1Cr18Ni9Ti | ZG0Cr18Ni12Mo2Ti | ||
球板 | WCB | 1Cr18Ni9Ti | 0Cr18Ni12MoTi | |||
閥桿 | 2Cr13 | 1Cr18Ni9Ti | 0Cr18Ni12MoTi | |||
密封圈 | 四氟 不銹鋼 | |||||
填料 | 四氟 柔性石墨 | |||||
適 用 工 況 |
適用介質 |
水、蒸汽、油品
|
硝酸類 | 醋酸類 | ||
適用溫度 | -40℃~200℃(超該溫度范圍;訂貨時請注明) | |||||
控制型式 | 雙作用/單作用 | |||||
作用型式 | 切斷/調節 | |||||
輸入信號 | 電信號:0~10mA、-4~10mA 氣信號20~100kPa | |||||
回信電壓 | AC220V/DC24V | |||||
工作介質 | 凈化壓縮壓氣 | |||||
執行器 | 型號 | GT系列、HY系列、AW系列、ZSH系列等 | ||||
氣源壓力 | 0.4~0.7MPa |
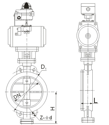
氣動對夾式蝶閥結構尺寸圖:
氣動對夾式蝶閥安裝尺寸表(對夾式)
公稱通徑DN(mm) | 尺 寸(mm) | 執行器型號 | |||
L | D1 | H | Z-φd | ||
50 | 43 | 125 | 52 | 4-18 |
可選配GTD/GTE、 AW/AWS、HY、 ZSH系列執行器 (以上選配僅供參選 具體選用根據實際要求) |
65 | 46 | 145 | 95 | 8-18 | |
80 | 49 | 160 | 108 | 8-18 | |
100 | 56 | 190 | 125 | 8-23 | |
125 | 64 | 220 | 138 | 8-25 | |
150 | 70 | 250 | 198 | 8-25 | |
200 | 71 | 310 | 236 | 12-25 | |
250 | 76 | 370 | 276 | 12-30 | |
300 | 83 | 430 | 308 | 16-30 | |
350 | 92 | 490 | 340 | 16-34 | |
400 | 102 | 550 | 374 | 16-43 | |
450 | 114 | 600 | 384 | 20-34 | |
500 | 127 | 660 | 448 | 20-41 | |
600 | 154 | 770 | 490 | 20-41 | |
700 | 165 | 875 | 542 | 24-48 | |
800 | 190 | 990 | 607 | 24-48 | |
900 | 203 | 1090 | 665 | 28-54 | |
1000 | 216 | 1210 | 731 | 28-58 | |
1200 | 254 | 1420 | 842 | 32-58 |